Your Cart (0)
Safety Tri-Clamps
Description
Developed using the template of our market leading SH Clamp we have designed and manufactured the Safety Clamp to improve operator safety throughout the industry, targeting hazardous, high temperature process lines.
ACL can offer colored wing nuts for easy line identification on a system. For further details click here.
Patented – 7.883.121, 125175, 1693609
Specifications
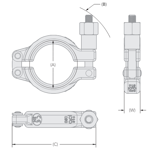
Levels of safety for ACL clamps:
- SAF: Level 1 (Stepped eyebolt)
- SAFX: Level 2 (Stepped eyebolt, hex nut)
- SAFS: Level 3 (Stepped eyebolt, hex nut, shroud)
- SAFL: Level 4 (Stepped eyebolt, hex nut, shroud, lockout device)
Features
As companies lean more toward safety requirements, this clamp is a must for frequent disassembly of unions in higher safety applications.
- Specified in several Pharmaceutical companies due to safety requirements
- ACL's #1 selling product
- Materials to ASME
